寶蒂塑料--專業制造 塑料閥門系列、塑料管道系列
產品特點:
● 連接長度短,安裝簡單。
● 耐腐蝕,重量輕,性價比高。
● UPVC,CPVC單片對夾止回閥完全開啟角度約為40°。
● 由于PPH法蘭內徑小,想要獲得較大的開啟角度,需要對法蘭進行倒角或者在法蘭和閥門間增加連接板。
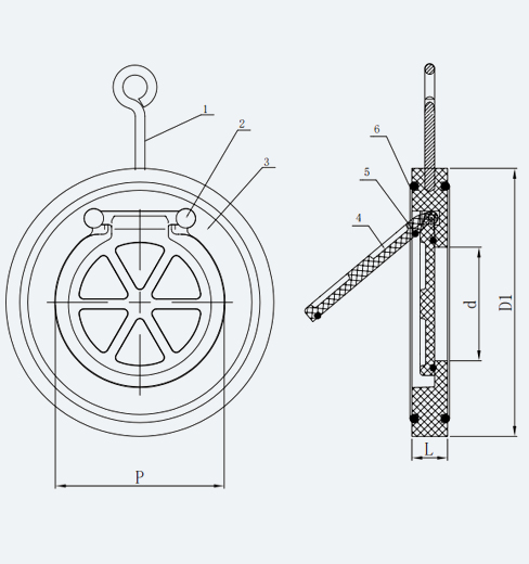
材質配件表

|
編號No. |
零部件 |
材料 |
|
1 |
吊環 |
不銹鋼 |
|
2 |
壓緊 |
UPVC,CPVC,PPH,PVDF |
|
3 |
閥體 |
UPVC,CPVC,PPH,PVDF |
|
4 |
閥瓣 |
UPVC,CPVC,PPH,PVDF |
|
5 |
內O型圈 |
EPDM,FPM |
|
6 |
外O型圈 |
EPDM,FPM |
產品尺寸表(mm)
|
DN |
d |
D1 |
P |
L |
工作壓力(Mpa) |
最小返回壓力(Mpa) |
|
DN40 |
23 |
82 |
36 |
18 |
1.0 |
0.05 |
|
DN50 |
27 |
108 |
44 |
21 |
1.0 |
0.05 |
|
DN65 |
40 |
127 |
58 |
22 |
1.0 |
0.05 |
|
DN80 |
54 |
142 |
70 |
23 |
1.0 |
0.05 |
|
DN100 |
70 |
165 |
89 |
25 |
1.0 |
0.05 |
|
DN125 |
92 |
192 |
115 |
28 |
1.0 |
0.05 |
|
DN150 |
112 |
217 |
131 |
30 |
1.0 |
0.05 |
|
DN200 |
150 |
270 |
179 |
34 |
0.6 |
0.05 |
|
DN250 |
190 |
328 |
230 |
39 |
0.6 |
0.05 |
|
DN300 |
216 |
378 |
260 |
44 |
0.6 |
0.05 |
在線咨詢