寶蒂塑料--專業制造 塑料閥門系列、塑料管道系列
產品特點:
● 獨創的平臺球閥設計,兼具法蘭球閥的優點,適配各種類型執行器。
● 一體平臺,全塑設計,執行器安裝不需要配備支架與連接套。我們也可以提供全塑支架和連接套,使更小的氣動/電動執行器能夠直接安裝在閥門上。
● 四孔定位,螺栓螺母連接,強度和穩定性顯著優于雙孔定位或自攻螺絲定位。
● PVDF閥桿,即使在苛刻的工況下,閥桿仍然有出色的機械強度。
球閥扭矩參考表
|
規格 |
球閥安全扭矩 |
|
15 |
≤10 |
|
20 |
≤10 |
|
25 |
≤10 |
|
32 |
12 |
|
40 |
15 |
|
50 |
20 |
|
65 |
40 |
|
80 |
45 |
|
100 |
65 |
|
125 |
85 |
|
150 |
130 |
|
200 |
250 |
|
250 |
400 |
|
300 |
800 |
注:安全系數1.2-2
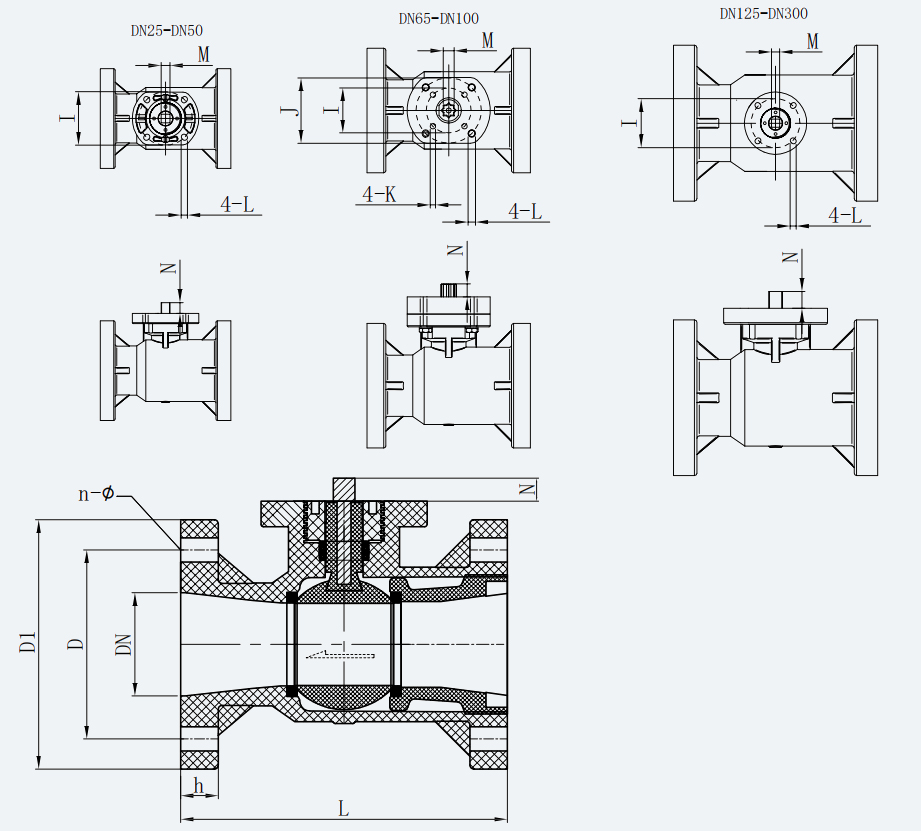
產品尺寸表(mm)
|
DN |
D1 |
D |
L |
b |
D |
φ |
工作壓力(Mpa) |
I |
J |
M |
N |
||||||||
|
DIN |
JIS |
ANSI |
HG/DIN |
JIS |
ANSI |
HG/DIN |
JIS |
ANSI |
FRPP/PPH |
UPVC/CPVC |
PVDF |
||||||||
|
15 |
95 |
65 |
70 |
60 |
100 |
15 |
4 |
4 |
4 |
14 |
15 |
16 |
1.0 |
1.6 |
1.6 |
70 |
/ |
11 |
11 |
|
20 |
105 |
75 |
75 |
70 |
120 |
17 |
4 |
4 |
4 |
14 |
15 |
16 |
1.0 |
1.6 |
1.6 |
70 |
/ |
11 |
11 |
|
25 |
115 |
85 |
90 |
79 |
140 |
17 |
4 |
4 |
4 |
14 |
15 |
16 |
1.0 |
1.6 |
1.6 |
70 |
/ |
11/14* |
11 |
|
32 |
135 |
?100 |
?100 |
89 |
160 |
18 |
4 |
4 |
4 |
18 |
19 |
16 |
1.0 |
1.6 |
1.6 |
70 |
/ |
11/14* |
11 |
|
40 |
145 |
?110 |
?105 |
98 |
165 |
18 |
4 |
4 |
4 |
18 |
19 |
16 |
1.0 |
1.0 |
1.6 |
70 |
/ |
14/17* |
17 |
|
50 |
160 |
?125 |
?120 |
121 |
180 |
20 |
4 |
4 |
4 |
18 |
19 |
19 |
1.0 |
1.0 |
1.6 |
70 |
/ |
14/17* |
17 |
|
65 |
180 |
?145 |
?140 |
140 |
220 |
22 |
4 |
4 |
4 |
18 |
19 |
19 |
1.0 |
1.0 |
1.0 |
70 |
102 |
14/17 |
21 |
|
80 |
195 |
?160 |
?150 |
152 |
250 |
25 |
8 |
8 |
4* |
18 |
19 |
19 |
1.0 |
1.0 |
1.0 |
70 |
102 |
14/17 |
21 |
|
100 |
215 |
?180 |
?175 |
190 |
280 |
25 |
8 |
8 |
8 |
18 |
19 |
19 |
1.0 |
1.0 |
1.0 |
70 |
102 |
17/22 |
24 |
|
125 |
245 |
?210 |
?210 |
216 |
325 |
30 |
8 |
8 |
8 |
18 |
19 |
22 |
0.6 |
0.6 |
0.6 |
125 |
/ |
22/27* |
? |
|
150 |
280 |
?240 |
?240 |
241 |
365 |
30 |
8 |
8 |
8 |
22 |
23 |
22 |
0.6 |
0.6 |
0.6 |
125 |
/ |
22/27* |
? |
|
200 |
335 |
?295 |
?290 |
298 |
405 |
35 |
8 |
12* |
8 |
22 |
23 |
22 |
0.3 |
0.3 |
0.3 |
125 |
/ |
22/27* |
? |
|
250 |
400 |
?350 |
?355 |
362 |
500 |
38 |
12 |
12 |
12 |
22 |
25 |
26 |
0.3 |
0.3 |
0.3 |
125 |
/ |
22/27* |
? |
|
300 |
455 |
?400 |
?400 |
432 |
600 |
40 |
12 |
16* |
12 |
22 |
25 |
26 |
0.3 |
0.3 |
0.3 |
? | ? | ? | ? |
*表示閥桿連接尺寸為方形,可以加套成8角;字體傾斜表示平臺是手工焊接/粘接/釘接,不是一體平臺

在線咨詢